Learn How To Install Your New Folding Accordion Security Gate

Detailed step-by-step instructions for the installation of Wholesale Gate Company gates

Installing Door Gates

  1. Stand folded gate against the door frame where you intend to mount it.
  2. Mark the mounting surface through the holes in the hinge bar with a pen or pencil for mounting into:
    • Wood: use 5/16 x 2″ lag bolts.
    • Steel: drill and tap for 5/16 x 1″ bolts.
    • Brick or Concrete:5/16 x 2″ lag bolts in 3/8″ holes.
  3. Drill appropriate size holes in the mounting surface.
  4. Mount the gate by inserting the screws through the hinge bar.
  5. Stretch the gate across the opening. line up the locking bar on the opposite side so that the padlock hole in the gate and the padlock hole in the locking bar match.
  6. Mark through the mounting holes of the locking bar with a pen or pencil.
  7. Drill holes and insert the screws to mount the locking bar.
  8. Pull the door into the locking bar and insert a padlock.

 

This gate can be installed inside the casing of the door or outside the door, see above. It will pivot out of the way when not in use. The gate can be mounted on the left or right. Simply turn the gate upside down to mount on the opposite side.

 

Installing Single Gates

  1. Mark center of the hole on floor 2″ away from the wall to fit 5/8″ pin at bottom of the gate.
  2. Drill 3/4″ hole in the floor.
  3. Place washer on 3/4″ hole.
  4. Put the gate in washer and hole.
  5. Install the “L” bracket on the wall.
  6. Stretch gate to other side and install locking bar.

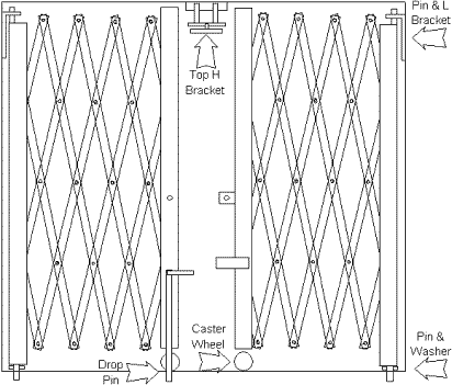
Installing Double Gates

  1. Mark center of the hole on floor 2″ away from the wall to fit 5/8″ pin at bottom of the gate.
  2. Drill 3/4″ hole in the floor and place 5/8″ washer over the hole.
  3. Put bottom pin of the gate in washer and hole.
  4. Install the “L” bracket on the wall, into:
    • Wood: use 5/16 x 2″ Lag Bolts.
    • Steel: Drill and tap for 5/16 x 2″ Bolts.
    • Brick or Concrete: 5/16 x 2″ Lag Bolts in 3/8″ holes with wood or lead anchors.
  5. Repeat for opposite side.
  6. Stretch gates to center and drill 3/4″ hole for center drop pin.
  7. Install top “H” bracket

Installing Portable Gates

  1. Remove packaging.
  2. Install axles with wheels using hardware supplied.
  3. Stretch gates across the opening.
  4. Mount Locking bars to the wall with appropriate mounting hardware such that hole in outside rail lines up with locking hasp in Locking Bar.